Впервые на Enex? Получите 500 приветственных бонусов при регистрации!
Санкт-Петербург
Продвижение на Enex
Как купить у производителя
Оплата и доставка
Гарантия
Помощь
Контакты
RU
RU
EN
Стать участником
КАТАЛОГ
Найти
Войти
Войдите, чтобы делать покупки, отслеживать заказы и пользоваться персональными скидками и бонусами. После регистрации как юрлицо, вы сможете создать страницу своей компании.
Войти или зарегистрироваться
0
Сравнение
0
Избранное
0
Корзина
Производители
Посетители
Электроинструмент
Ручной инструмент
Садовый инструмент
Измерительные приборы и инструменты
Еще +
Главная
Библиотека
ГОСТ по инструменту
ГОСТы на режущий инструмент
Фрезы ГОСТ
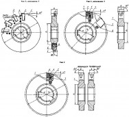
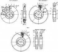
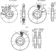
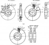
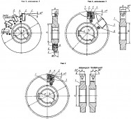
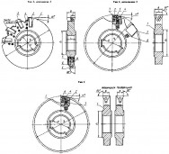
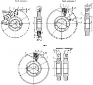
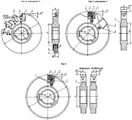
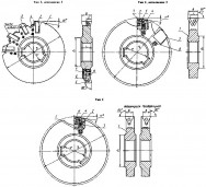
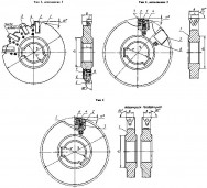
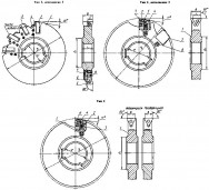
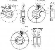
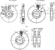
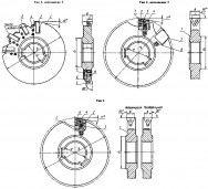
Фрезы дисковые с механическим креплением многогранных твердосплавных пластин ГОСТ 28437
Фрезы дисковые с механическим креплением многогранных твердосплавных пластин ГОСТ 28437
Найти
Товары по этому ГОСТу в нашем каталоге
ВЕСЬ КАТАЛОГ
Фрезы ГОСТ
Фрезы (бор-фрезы) концевые конические твердосплавные для труднообрабатываемых сталей и сплавов: цельные ГОСТ 18938 и удлинённые ГОСТ 18943
Фрезы (бор-фрезы) концевые сферические грушевидные твердосплавные для труднообрабатываемых сталей и сплавов: цельные ГОСТ 18934 и удлинённые ГОСТ 18939
Фрезы (бор-фрезы) концевые сферические эллипсовидные твердосплавные для труднообрабатываемых сталей и сплавов: цельные ГОСТ 18935, удлинённые ГОСТ 18940, с коронками ГОСТ 18945
Фрезы (бор-фрезы) концевые сфероцилиндрические твердосплавные для труднообрабатываемых сталей и сплавов: цельные ГОСТ 18936, удлинённые ГОСТ 18941, с коронками ГОСТ 18946
Фрезы (бор-фрезы) концевые цилиндрические твердосплавные для труднообрабатываемых сталей и сплавов: цельные ГОСТ 18937, удлинённые ГОСТ 18942, с коронками ГОСТ 18948
Фрезы (бор-фрезы) концевые, оснащенные коронками из твердого сплава, для труднообрабатываемых сталей и сплавов: сферические ГОСТ 18944 и сфероконические ГОСТ 18947
Фрезы дереворежущие насадные цилиндрические сборные ГОСТ 14956
Фрезы дисковые (прорезные и отрезные) ГОСТ 2679
Фрезы дисковые пазовые ГОСТ 3964
Фрезы дисковые с механическим креплением многогранных твердосплавных пластин ГОСТ 28437
Фрезы дисковые трёхсторонние ГОСТ 28527.
Фрезы дисковые трёхсторонние ГОСТ 5348 со вставными ножами, оснащенными твёрдым сплавом
Фрезы дисковые трёхсторонние с разнонаправленными зубьями для обработки лёгких сплавов ГОСТ 16227
Фрезы дисковые трёхсторонние со вставными ножами из быстрорежущей стали для обработки лёгких сплавов ГОСТ 16228
Фрезы для обработки пазов сегментных шпонок ГОСТ Р 53412
Фрезы для обработки пазов типа ''Ласточкин хвост'' ГОСТ Р 52967
Фрезы для обработки Т-образных пазов ГОСТ 7063 (н/д)
Фрезы концевые двузубые с резьбовым хвостовиком для обработки легких сплавов ГОСТ 16226
Фрезы концевые диаметром от 10 до 20 мм с цилиндрическим хвостовиком, оснащенные винтовыми твердосплавными пластинами ГОСТ 20536
Фрезы концевые для обработки деталей из высокопрочных сталей и титановых сплавов на станках с программным управлением ГОСТ 23248
Фрезы концевые для обработки легких сплавов ГОСТ 16225
Фрезы концевые конические с цилиндрическим хвостовиком для обработки штампов ГОСТ 29129
Фрезы концевые обдирочные с коническим хвостовиком ГОСТ 15086
Фрезы концевые радиусные с коническим хвостовиком для обработки легких сплавов ГОСТ 16231
Фрезы концевые с коническим хвостовиком ГОСТ 17026
Фрезы концевые с коническим хвостовиком, оснащенные винтовыми твердосплавными пластинами ГОСТ 20537, а также удлинённые ГОСТ 20538
Фрезы концевые с механическим креплением многогранных (треугольных) твердосплавных пластин ГОСТ 28435
Фрезы концевые с удлинённой рабочей частью и винтовыми зубьями со сменными твердосплавными пластинами ГОСТ 28709
Фрезы концевые с хвостовиком конусностью 7:24 ГОСТ Р 50572
Фрезы концевые с цилиндрическим или коническим (конус Морзе и конус 7:24) хвостовиком ГОСТ Р 53002-2008
Фрезы концевые с цилиндрическим хвостовиком ГОСТ 17025
Фрезы концевые твердосплавные ГОСТ 18372
Фрезы концевые, оснащенные винтовыми твердосплавными пластинами, для обработки деталей из высокопрочных сталей и титановых сплавов на станках с программным управлением ГОСТ 24637
Фрезы концевые, оснащенные твердосплавными коронкам, с цилиндрическим хвостовиком ГОСТ 20533, а также с коническим хвостовиком ГОСТ 20544 и с резьбовым хвостовиком ГОСТ 20535
Фрезы отрезные для обработки лёгких сплавов ГОСТ 16230
Фрезы пазовые затылованные ГОСТ 8543
Фрезы с напаянными твердосплавными пластинами для обработки Т-образных пазов ГОСТ 10673
Фрезы торцовые концевые с механическим креплением пятигранных твердосплавных пластин ГОСТ 22087
Фрезы торцовые насадные ГОСТ 9304
Фрезы торцовые насадные мелкозубые со вставными ножами, оснащёнными пластинами из твёрдого сплава ГОСТ 9473
Фрезы торцовые насадные со вставными ножами, оснащенными пластинами из твердого сплава ГОСТ 24359
Фрезы торцовые с механическим креплением многогранных пластин ГОСТ 26595
Фрезы угловые двусторонние ГОСТ Р 50181
Фрезы фасонные полукруглые выпуклые, вогнутые и радиусные ГОСТ 9305
Фрезы цилиндрические ГОСТ 29092
Фрезы червячные для шлицевых валов с прямобочным профилем ГОСТ 8027
Фрезы червячные мелкомодульные для цилиндрических зубчатых колес с эвольвентным профилем ГОСТ 10331
Фрезы червячные цельные для нарезания зубьев звёздочек к приводным роликовым и втулочным цепям ГОСТ 15127
Фрезы червячные чистовые для шлицевых валов с эвольвентным профилем ГОСТ 6637
Фрезы червячные чистовые однозаходные для цилиндрических зубчатых колёс с эвольвентным профилем ГОСТ 9324
Фрезы шпоночные ГОСТ 9140
Фрезы шпоночные с хвостовиком конусностью 7:24 ГОСТ Р 50572
Фрезы шпоночные с цилиндрическим или коническим (конус Морзе и конус 7:24) хвостовиком ГОСТ Р 53003-2008
Фрезы шпоночные цельные твердосплавные ГОСТ 16463
Фрезы шпоночные, оснащенные твердосплавными пластинами, с цилиндрическим или коническим хвостовиком ГОСТ 6396
Фильтр
d, мм
27
32
40
50
60
80
Тип
1
2
l, мм
6,3
7,9
9,5
12,7
13
15,9
18
19
Число зубьев
6
8
10
12
14
16
18
20
D1, мм
41
47
55
69
82
100
120
Исполнение*
1
2
Леворежущая
Праворежущая
Ширина b, мм
10
12
13-16
13
14
16-19
16
18
19-22
20
22
22-25
23-26
25
26-29
28
29-32
32
32-36
Диаметр D, мм*
80
100
125
160
200
250
315
l1,мм
10
12
13
14
16
18
19
20
22
23
25
26
28
29
32
Фильтр
Сортировать:
По названию (А-Я)
По названию (Я-А)
Товаров на странице:
40
60
80
Добавить к сравнению
Фреза дисковая 2241-0701 ГОСТ 28437
Добавить к сравнению
Фреза дисковая 2241-0702 ГОСТ 28437
Добавить к сравнению
Фреза дисковая 2241-0703 ГОСТ 28437
Добавить к сравнению
Фреза дисковая 2241-0704 ГОСТ 28437
Добавить к сравнению
Фреза дисковая 2241-0705 ГОСТ 28437
Добавить к сравнению
Фреза дисковая 2241-0706 ГОСТ 28437
Добавить к сравнению
Фреза дисковая 2241-0707 ГОСТ 28437
Добавить к сравнению
Фреза дисковая 2241-0708 ГОСТ 28437
Добавить к сравнению
Фреза дисковая 2241-0709 ГОСТ 28437
Добавить к сравнению
Фреза дисковая 2241-0711 ГОСТ 28437
Добавить к сравнению
Фреза дисковая 2241-0712 ГОСТ 28437
Добавить к сравнению
Фреза дисковая 2241-0713 ГОСТ 28437
Добавить к сравнению
Фреза дисковая 2241-0714 ГОСТ 28437
Добавить к сравнению
Фреза дисковая 2241-0715 ГОСТ 28437
Добавить к сравнению
Фреза дисковая 2241-0716 ГОСТ 28437
Добавить к сравнению
Фреза дисковая 2241-0717 ГОСТ 28437
Добавить к сравнению
Фреза дисковая 2241-0718 ГОСТ 28437
Добавить к сравнению
Фреза дисковая 2241-0719 ГОСТ 28437
Добавить к сравнению
Фреза дисковая 2241-0721 ГОСТ 28437
Добавить к сравнению
Фреза дисковая 2241-0722 ГОСТ 28437
Добавить к сравнению
Фреза дисковая 2241-0723 ГОСТ 28437
Добавить к сравнению
Фреза дисковая 2241-0724 ГОСТ 28437
Добавить к сравнению
Фреза дисковая 2241-0725 ГОСТ 28437
Добавить к сравнению
Фреза дисковая 2241-0726 ГОСТ 28437
Добавить к сравнению
Фреза дисковая 2241-0727 ГОСТ 28437
Добавить к сравнению
Фреза дисковая 2241-0728 ГОСТ 28437
Добавить к сравнению
Фреза дисковая 2241-0729 ГОСТ 28437
Добавить к сравнению
Фреза дисковая 2241-0731 ГОСТ 28437
Добавить к сравнению
Фреза дисковая 2241-0741 ГОСТ 28437
Добавить к сравнению
Фреза дисковая 2241-0742 ГОСТ 28437
Добавить к сравнению
Фреза дисковая 2241-0743 ГОСТ 28437
Добавить к сравнению
Фреза дисковая 2241-0744 ГОСТ 28437
Добавить к сравнению
Фреза дисковая 2241-0745 ГОСТ 28437
Добавить к сравнению
Фреза дисковая 2241-0746 ГОСТ 28437
Добавить к сравнению
Фреза дисковая 2241-0747 ГОСТ 28437
Добавить к сравнению
Фреза дисковая 2241-0748 ГОСТ 28437
Добавить к сравнению
Фреза дисковая 2241-0749 ГОСТ 28437
Добавить к сравнению
Фреза дисковая 2241-0751 ГОСТ 28437
Добавить к сравнению
Фреза дисковая 2241-0752 ГОСТ 28437
Добавить к сравнению
Фреза дисковая 2241-0753 ГОСТ 28437
Показать ещё
Страница 1 из 3
1
2
3